腰輪流量計

產品簡介
/ product introduction
1、產品簡介
腰輪流量計是用于對管道中流量進行連續或間歇測量的高精度計量儀表。它具有精度高、可靠性好、重量輕、壽命長、安裝使用方便等特點,是容積式流量計的典型特點。腰輪流量計主要由計量腔、密封聯軸器和計數器三部分組成。可現場指示累積流量和瞬時流量,配以發信器及流量智能控制儀,可實現遠距離測量和控制。廣泛用于石油、化工、電力、冶金、交通、食品加工、醫藥、國防、商業貿易等部門對石油及石油制品、化學溶液等流體的測量。
腰輪流量計是用于對管道中流量進行連續或間歇測量的高精度計量儀表。它具有精度高、可靠性好、重量輕、壽命長、安裝使用方便等特點,是容積式流量計的典型特點。腰輪流量計主要由計量腔、密封聯軸器和計數器三部分組成。可現場指示累積流量和瞬時流量,配以發信器及流量智能控制儀,可實現遠距離測量和控制。廣泛用于石油、化工、電力、冶金、交通、食品加工、醫藥、國防、商業貿易等部門對石油及石油制品、化學溶液等流體的測量。
2、工作原理
當被測液體流經計量室時,在流量計的進出口形成 壓差,腰輪在此壓差的推動下旋轉。同時通過固定在腰輪軸上的一對驅動齒輪,使兩個腰輪保持連續旋轉。隨著腰輪的轉動,液體經由計量室被不斷排出流量計。每對流過的液體量是計量室容積的四倍,通過密封聯軸器、減速機構,將旋轉次數減速后傳遞到計數器,計數器即指示液體瞬時流量和累積流量。在計數器機構中安裝發信器即成了帶發信器的腰輪流量計。與顯示儀表或微機系統配套,可實現遠傳(定量、累積、瞬時等功能)自動化測量和控制。
產品特點
/ product characteristic
●具有精度高、可靠性好;
●結構簡單、堅固、重量輕;
●壽命長、安裝使用方便;
●特別適合于測量粘度較高的介質,而且對被測量液體粘度的變化不敏感;
●安裝容易,流量計前后不需直管段,即使流量計靠近閥門、彎管、縮管、擴大管,也無需加裝直管段;
●廣泛用于各種油品及對鑄鐵不腐蝕液體介質的計量;
●可用于高壓、低腐蝕性介質的計量;
●廣泛用于有較強腐蝕性液體介質,如酸、堿、鹽及有機化合物等的計量;
●為了防止流量計的齒輪被雜質卡死,在流量計的上游安裝過濾器;
●防爆等級:ExiaIICT6。
技術參數
/ technical parameters
1、公稱壓力:0.6、1.0、1.6、2.5、4.0MPa
2、工作溫度:-10~60℃
3、精度等級:0.5、0.2
4、流量范圍:m3/h


產品選型
/ product selection
一、產品選型


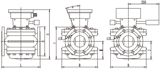
二、外形及安裝尺寸

1、鑄鐵型腰輪流量計外形尺寸

2、鑄鋼型腰輪流量計外形尺寸

三、安裝使用
●流量計前應安裝過濾器,兩者表體上箭頭指向與流動方向一致。
●當被測液體含有氣體時,流量計前應安裝氣體分離器。
●不論管路是垂直還是水平安裝,但流量計的腰輪軸安裝成水平位置(即表度盤應與地面垂直)。
●流量計在正確安裝情況下,如果不易看清讀數,可把計數器旋轉180度或90度均可。
●節流閥應安裝在流量計進口處,開閉閥裝在出口處,使用開閉閥時要緩慢啟動,不要突然開閥。
●嚴禁使用掃線蒸汽通過流量計。
●在連續使用部位,腰輪流量計需加旁通管道。
●流量計安裝前,管道需沖洗,沖洗時采用直管段(替代流量計位置)防止焊渣、雜物等進入流量計。
●嚴禁用水校驗鑄鐵、鑄鋼材質組成的流量計。
●流量計在使用時流量大小不得超過技術要求。流量計正常工作在最大流量70~80%為優。
●被測液體如果具有化學腐蝕性,需選用不銹鋼材質的流量計,如果腐蝕性強,需選用0Crl8Ni12MO2Ti材質的流量計。