單晶硅壓力變送器

產品簡介
/ product introduction 單晶硅壓力變送器用于測量液體、氣體或蒸汽的液位、密度和壓力,然后轉變成4~20mA DC信號輸出。單晶硅壓力變送器可與HART手操器相互通訊,通過它進行設定,監控或與上位機組成現場監控系統。單晶硅壓力變送器外殼為特殊防爆殼體,可以帶內置電池供電和外置24VDC兩線制供電,采用壓阻式傳感器芯體,殼體為不銹鋼外殼,外殼防護等級為IP65。產品特點
/ product characteristic
●測量范圍廣,鑄鋁防爆殼體,壓力接口形式多樣;
●輸出信號形式多樣,現場可調可顯示;
●多重防護,抗電磁干擾能力強;
●表壓、絕壓和密封參考壓多種壓力類型;
●可配LCD數顯表、LED數顯表;
●高準確度、高穩定性、選用進口原裝傳感器,線性好,溫度穩定性高;
●體積小、重量輕、安裝、調試、使用方便;
●工業領域中非常佳的總體性能±0.15%,令回路性能非常優化;
●五年穩定性±0.15%,可大大降低校驗和維護的費用;
●更快的動態響應,可降低過程的可變性;
●引進技術可實現測量方案;
●零點可遷移,量程可調節。
技術參數
/ technical parameters
●測量范圍:-100kPa…0kPa~10kPa…100MPa
●壓力類型:表壓、絕壓、密封表壓
●過 壓:1.5倍滿量程壓力/ 110MPa(取最小值)
●精 度:±0.5%FS
●長期穩定性:±0.3%FS/年
●零點溫度誤差:≤±0.04%FS/℃ (≤100kPa) ;≤±0.03%FS/℃ (>100kPa)
●滿度溫度誤差:≤±0.04%FS/℃ (≤100kPa) ;≤±0.03%FS/℃ (>100kPa)
●輸出信號:RS485接口(MODBUS-RTU協議)
●額定工作溫度: -10℃~60℃
●測溫誤差:±2℃(溫度功能為選配)
●上限工作溫度: -30℃~85℃
●貯存溫度: -40℃~85℃
●供電電源: 9V~28V DC
●顯示方式: 4位0.36``數碼管
●顯示范圍: -1999 ~ 9999
●絕緣電阻: 100V,100M
●振 動: 5g,10Hz~200Hz
●沖 擊: 20g,11ms
●防護等級: IP65
●重 量: 約900g
產品選型
/ product selection
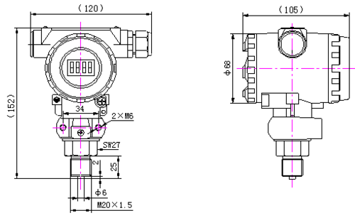
二、電氣連接

三、產品選型
HW180 |
擴散硅壓力變送器(普通)
|
|||||
HW180 |
擴散硅壓力變送器(防爆)
|
|||||
代碼 |
量程范圍
|
|||||
A |
0-5KPa-20KPa
|
|||||
B |
0-20KPa-70KPa
|
|||||
C |
0-70KPa-350KPa
|
|||||
D |
0-200KPa-700KPa
|
|||||
E |
0-0.7MPa-3.5MPa
|
|||||
F |
0-2.0MPa-7MPa
|
|||||
G |
0-7MPa-35MPa
|
|||||
H |
0-20MPa-100MPa
|
|||||
代碼 |
精度等級
|
|||||
Ⅰ |
0.1%
|
|||||
Ⅱ |
0.25%
|
|||||
Ⅲ |
0.5%
|
|||||
代碼 |
輸出代號
|
|||||
E |
4-20mADC二線
|
|||||
K |
0-10mA
|
|||||
M |
用戶約定
|
|||||
代碼 |
壓力連接
|
|||||
R |
標準型(M20×1.5)
|
|||||
P |
齊平膜
|
|||||
O |
按用戶尺寸加工
|
|||||
代碼 |
選項
|
|||||
i |
本安型iaⅡCT6
|
|||||
d |
隔爆型dⅡBT4
|
|||||
T |
船用型
|
|||||
M1 |
線性指示表
|
|||||
M2 |
LED數字顯示表
|
|||||
M3 |
LED顯示表
|
|||||
Z |
阻尼調整
|
|||||
Q |
遷移
|
|||||
A |
絕壓測量
|
|||||
F |
負壓測量
|
|||||
C |
選用陶瓷傳感器(帶*量程無)
|
|||||
S |
散熱器及過程連接件
|
|||||
Y |
用戶約定
|
壓力傳感器使用過程應注意考慮下列情況:
1、防止變送器與腐蝕性或過熱的介質接觸;
2、防止渣滓在導管內沉積;
3、測量液體壓力時,取壓口應開在流程管道側面,以避免沉淀積渣;
4、測量氣體壓力時,取壓口應開在流程管道頂端,并且變送器也應安裝在流程管道上部,以便積累的液體容易注入流程管道中;
5、導壓管應安裝在溫度波動小的地方;
6、測量蒸汽或其它高溫介質時,需接加緩沖管(盤管)等冷凝器,不應使變送器的工作溫度超過上限;
7、冬季發生冰凍時,安裝在室外的變送器必需采取防凍措施,避免引壓口內的液體因結冰體積膨脹,導至傳感器損壞;
8、測量液體壓力時,變送器的安裝位置應避免液體的沖擊(水錘現象),以免傳感器過壓損壞;
9、接線時,將電纜穿過防水接頭(附件)或繞性管并擰緊密封螺帽,防雨水等通過電纜滲漏進變送器殼體內。