不銹鋼壓力表

產品簡介
/ product introduction
1、產品簡介
不銹鋼壓力表采用直接接觸式接頭和感壓元件材料,采用icr18Ni9T、Ocr18Ni12Mo2Ti、 sus316,結構為全密封型,不銹鋼壓力表具有較強的防被測介質腐蝕和抗環境腐蝕的能力。不銹鋼壓力表適用于腐蝕性較強的適合不銹鋼元件檢測的介質和惡劣的外部腐蝕環境中 ,廣泛應用于石油、化工、冶金等工業。
2、工作原理
不銹鋼壓力表采用直接接觸式接頭和感壓元件材料,采用icr18Ni9T、Ocr18Ni12Mo2Ti、 sus316,結構為全密封型,不銹鋼壓力表具有較強的防被測介質腐蝕和抗環境腐蝕的能力。不銹鋼壓力表適用于腐蝕性較強的適合不銹鋼元件檢測的介質和惡劣的外部腐蝕環境中 ,廣泛應用于石油、化工、冶金等工業。
2、工作原理
不銹鋼壓力表由導壓系統(包括接頭、彈簧管、限流螺釘等)、齒輪傳動機構、示數裝置(指針與度盤)和外殼(包括表殼、表蓋、表玻璃等)所組成。壓力表通過表內的不銹鋼敏感元件(波登管、膜盒、波紋管)的彈性形變,再由表內機芯的轉換機構將彈性形變傳導至指針,引起指針轉動來顯示壓力。對于在外殼內充液(一般為硅油或甘油)的儀表,能夠抗工作環境振動較劇和減少介質壓力的脈動影響。
產品特點
/ product characteristic●鋁制微調指針;
●調零指針、最大值指針;
●不銹鋼壓力表有特殊的表盤,比如雙范圍、特別的單位、清晰的刻度等等;
●堅固前面板帶泄壓后蓋的安全結構;
●焊接式波登管,可以延長波登管的使用壽命;
●過壓/真空保護措施:過壓保護止釘,真空保護止釘;
●表玻璃:防震玻璃/夾層安全玻璃;
●阻尼釘:有效消除脈動;
●充油:能夠抵抗被測介質壓力的脈動和工作環境劇烈震動的影響,兼顧了耐腐蝕性和抗震性能。
技術參數
/ technical parameters
●精度等級 :±1.0%;±1.6% ;±2.5%;
●表殼直徑:60mm;100mm ;150mm ;200mm;
●表殼材質:304不銹鋼 ,316不銹鋼;
●表殼形式:安全殼構造,隔板裝置后釋放;
●彈性元件及接頭體材質:304; 316,彈性元件與接頭體氬弧焊接;
●機芯材質: 304不銹鋼,316不銹鋼;
●接頭螺紋:M14×1.5;G1/4; M20×1.5 ;1/2 NPT 等;
●測量范圍:-0.1~0 MPa或,0.1~160 MPa;
●指針: 普通;
●表玻璃: 有機玻璃、安全型雙層玻璃;
●耐震型充填材質 甘油98%(可選擇硅油、氟油或其它類別);
●使用環境溫度:-25~70℃(外殼內充液),-40~70℃(外殼內不充液);
●溫度影響:不大于0.4%/10℃(使用溫度偏離20±5℃);
●抗工作環境振動:V·H·4級(外殼內充液) V·H·3級(外殼內不充液);
●重量:0.2kg (Y-50) 0.35Kg(Y-60) 0.55Kg(Y-75) 0.85Kg(Y-100) 0.95kg (Y-150)。
產品選型
/ product selection
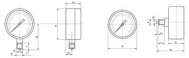
2、外形尺寸圖


3、安裝方式
●徑向直接安裝;
●徑向帶后邊;
●軸向直接安裝;
●軸向帶前邊。